產品中心

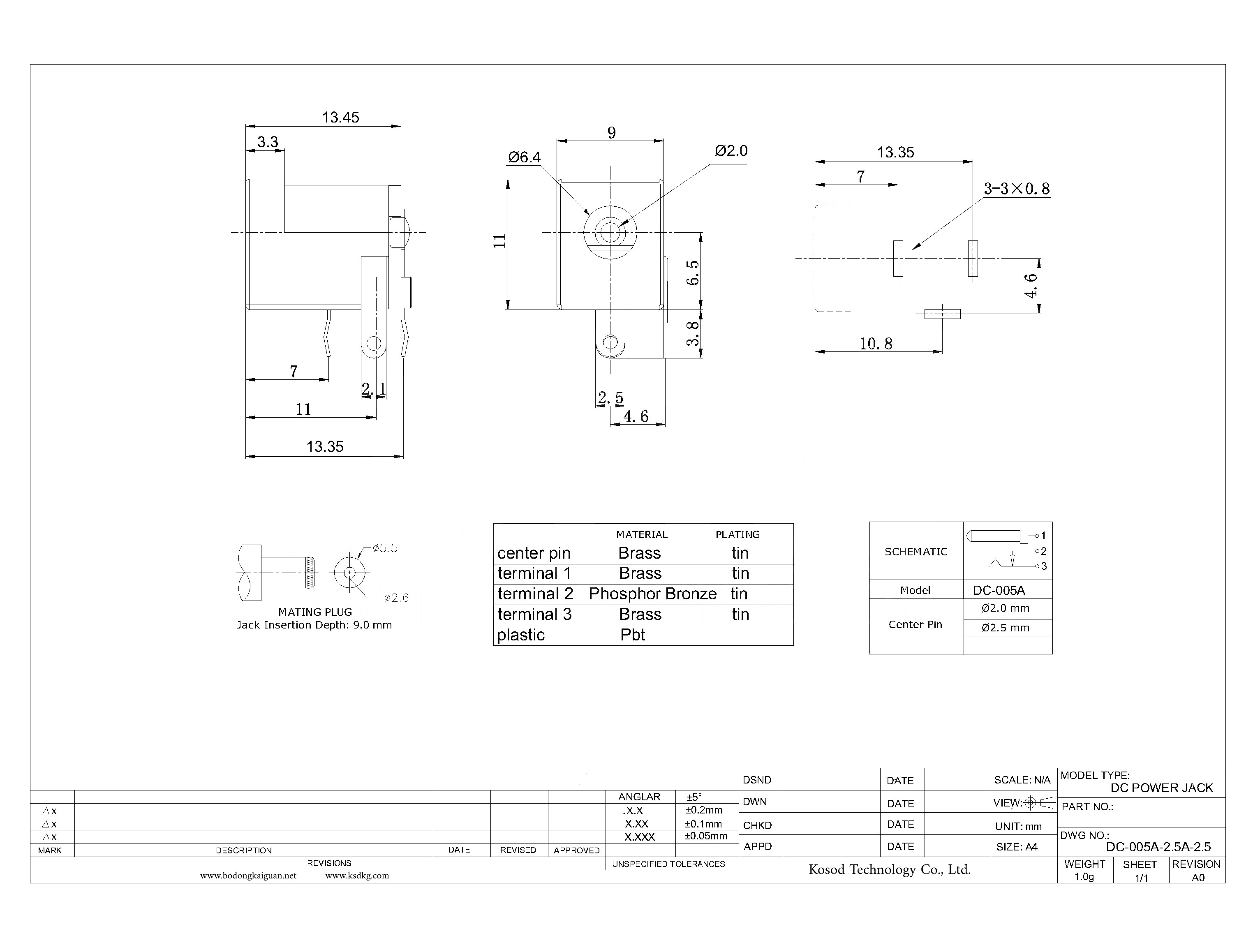
DC-005A-2.5A-2.5

發布時間:2022-01-10 瀏覽量:
DC-005A-2.5A-2.5
産品描述
DC-005A-2.5A-2.5