TM-06
發布時間:2022-01-10 瀏覽量:次
産品描述

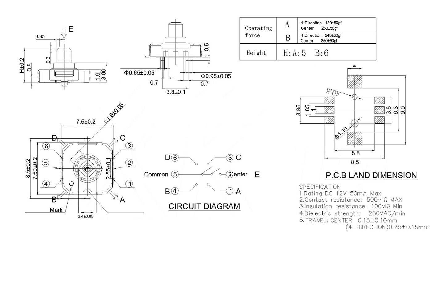
1. 额定负荷: DC 12V 100mA
2. 接触阻抗: ≤100mΩMAX
3. 绝缘阻抗: ≥100MΩMIN
4. 耐焊温度: 250±5°5s
5. 使用寿命: 200,000 cycles
6. 使用温度: -25 ℃ to 85 ℃
7. 使用湿度: ≤85% RH
8. 操作力: 250/350/450 ± 35 gf
9.品牌 科斯达 KOSOD KSDKG
MultiFunctional Five-way Switch Light Tact Five-way Switch technical parameters:
1. Rated load: DC 12V 100mA
2. Contact resistance: ≤100mΩMAX
3. Insulation resistance: ≥100MΩMIN
4. Solder resistance temperature: 250±5°5s
5. Service life: 200,000 cycles
6. Operating temperature: -25 ℃ to 85 ℃
7. Operating humidity: ≤85% RH
8. Operating force: 250/350/450 ± 35 gf
9. Brand KOSOD KSDKG

